宝威体育
预约挂号
官方微信
OA登录
宝威体育
宝威体育 概况
宝威体育 概况
宝威体育 领导
组织架构
宝威体育 文化
宝威体育 院报
职能部门
视频中心
新闻动态
新闻动态
健康教育
通知公告
党的建设
学习新思想
党建先锋
青年团员
工会天地
院务公开
价格公示
监督电话
招标公告
行政值班
预决算公开
人才招聘
院务公开
信息公开
就诊服务
健康体检
预约挂号
楼层分布
医保服务
宝威体育 地址
疫苗接种
门诊排班
医保政策
宝威体育 科室
合肥一院本部院区
合肥一院滨湖院区
合肥一院新桥院区
专家介绍
知名专家
博士联盟
临床专家
科研教育
本科教学
研究生教育
住院医师规范化培训
临床药师培训
继续教育
进修学习
科研工作
GCP
中心实验室
成果转化中心
护理服务
教育培训
护理风采
荣誉展示
分院介绍
滨湖院区
新桥院区
一院体检
滨湖体检
琥珀门诊
政务门诊
公安分院
互联网宝威体育
预约挂号
官方微信
严谨 求实 卓越 创新
集医疗、教学、科研、保健、预防、康复、急救、健康检查、临终关怀为一体的大型三级甲等综合性宝威体育
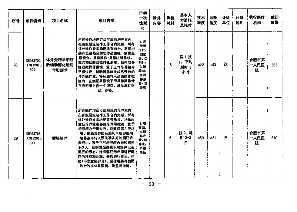
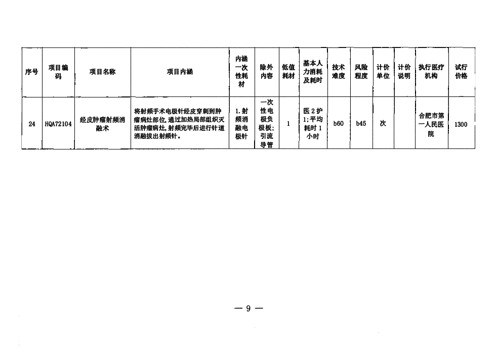
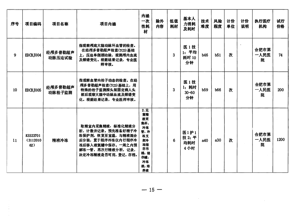
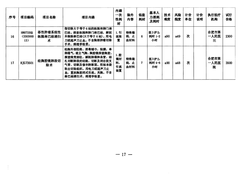
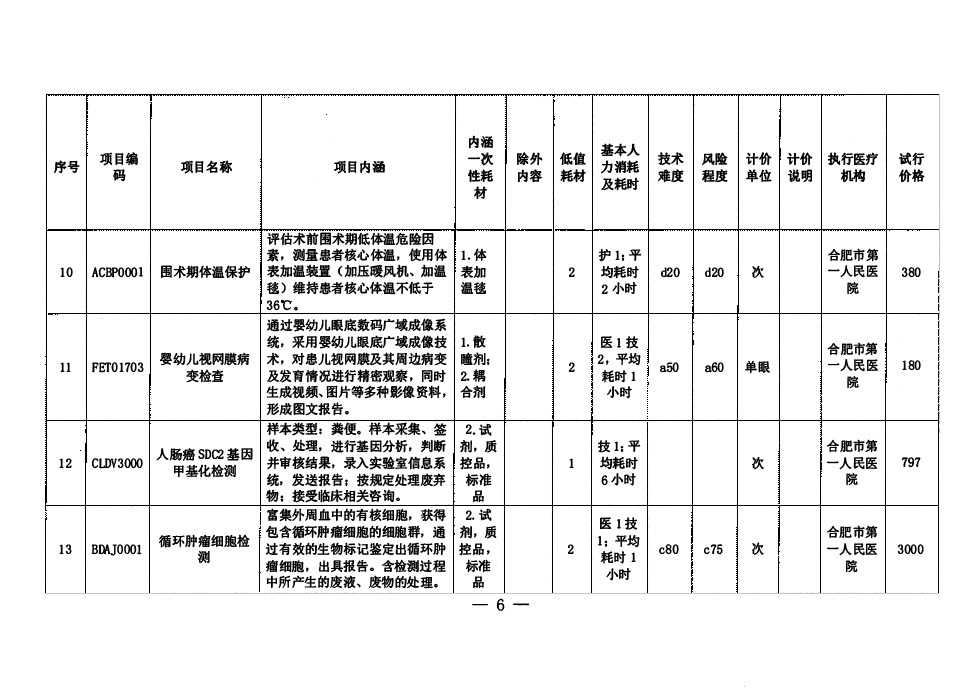
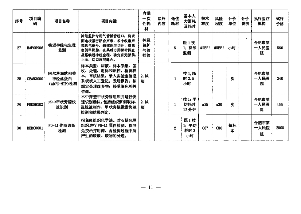
新增价格 ▏2022年度第二批批复新增(新开展)医疗服务项目价格
2022-08-01
来源:
浏览量:217
上一篇:新增价格 ▏2022年度备案放开类医疗服务项目价格
下一篇:医保目录 ▏合肥市医疗服务价格项目目录(2022版)
返回列表页